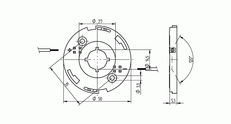
Descrição
Conector Ø50mm para LED COB 17,85 x 17,85mm
Possui interface para nossos refletores através de encaixe baioneta. A montagem deste conector se dá através de parafusos M3 ou P2F 28.902.-102.10. Máximo torque de fixação 0,5 Nm. A polaridade do LED deve ser observada. As especificações do fabricante do LED devem ser observadas. Disponível cURus para algumas aplicações. VDE Reg. No. E289.
Cabos: 0,5mm²
Material: corpo em PBT, contatos em CuSn
Nota Condições de garantia: https://www.bjb.com/rechts/agb/
Temperatura: 130ºC
Embalagem: 504 peças
Tolerância: 3A / 150 VDC
Peso: 5 g
Certificação cURus: E-345385
Método de montagem 1: parafusos
Método de montagem 2: P2F 28.902.-102.10

